- 公開日:2026年03月09日
- | 更新日:2026年03月12日
高効率電源3レベルバックコンバーター 導入編 EVKボードで動作を確認してみた
- ライター:kjaz
- 電源
3レベルバックコンバーターとは
近年48V配電や高電圧バスを用いるシステム普及に伴い、従来の2レベルバックコンバーターに変わって、3レベルバックコンバーターの採用が増加しています。3レベルバックコンバーターは、高電圧入力、大電流出力、EMI制限が厳しい所に最適で、2レベルのバックコンバーターと比較し、スイッチング素子の数は多くなりますが、電力効率が高く、発熱も少なく抑えられます。またリプル電流も低減出来ることや、スイッチングノードの耐圧が下がることから、インダクタやMOSFETの小型化も期待出来ます。
本記事では3レベルバックコンバーターの基本的な動作の解説から、ルネサス製初の3レベルバックコンバーターRAA489300の紹介を、実際のEVKボードでの評価結果を交えて説明したいと思います。
2レベルバックコンバーターとの比較
3レベルバックコンバーターの動作概要を説明します。まずは2レベルバックコンバーターと3レベルバックコンバーターの構成の違いを以下の図に示します。

図に示す通り、一般的な2レベルバックコンバーターは、同期整流の場合HiサイドMOSFETとLoサイドMOSFET、インダクタL、出力コンデンサCoutで構成されます。HiサイドとLoサイドが交互にON/OFFを繰り返すことで、スイッチングノードVswは入力電圧VinとGND間の2値で遷移します。
一方3レベルバックコンバーターは4つのMOSFETとフライングキャパシタCfly、インダクタL、出力コンデンサCoutで構成され、Vinが細かく分割された形となり、スイッチングノードはVin、Vin/2、GNDの3値で遷移することになります。Cfly間に印加される電圧はVin/2となり、2レベル時と比較してより低耐圧、低Rds、小型なMOSFETを使用可能となります。またインダクタのリプル電流も入力電圧が分割されることで小さくなり、インダクタを小型化することが出来ます。2レベルと3レベルの構成の違いによるメリット、デメリットを以下にまとめてみました。

3レベルバックコンバーターの基本動作
それでは3レベルバックコンバーターの基本動作について見ていきましょう。
3レベルは前述の通り、Vinを2分割した中点を活用し、スイッチングノードを3値で遷移しますが、大前提としてフライングキャパシタCflyの電圧はVin/2に維持されているものとします。そして遷移する電圧ですが、VinとVoutで決まるDuty比で場合分けされます。具体的にはDutyが50%未満の場合、Vin/2とGND間、50%以上の場合、VinとVin/2の間でスイッチング動作が行われよう制御されます。MOSFETのON/OFF状態も踏まえてもう少し詳しく見ていきます。
- Dutyが50%未満の場合
MOSFETの挙動を下図のような4つのStateに分けて説明します。原則としてスイッチングノードを中心に、上下対象の場所に位置するMOSFETは同時にONすることはありません。図で言うとQ2とQ3、もしくはQ1とQ4のペアがそれに当たります。

まずState1でQ2とQ4をONし、スイッチングノードをVin/2へ引き上げ、インダクタ電流を増加させます。その後State2でQ1とQ2をONし、スイッチングノードを0Vへと遷移させ、インダクタ電流を減少させます。この時の電圧変化幅はVin/2であり、従来の2レベルのVinフルスイングに比べてdv/dtが低減されることになります。
State3ではQ1とQ3がONし、State1同様スイッチングノードはVin/2に引き上げられますが、State1との違いはCflyの状態です。State1ではCflyはVinと直結され充電されているのに対して、State3ではState2時のインダクタ逆起電力を利用して、出力側に放電している形となります。この充電と放電のバランスを取りながら、Cflyの電荷量を調整することで、スイッチングノードの電圧変化幅がVin/2になるよう制御しています。
- Dutyが50%以上の場合

Dutyが50%以上の場合、VinとVin/2の間で動作することになります。まずState1でスイッチングノードより上側のQ3とQ4がONし、電圧はVinに引き上げインダクタ電流を増加させます。続いてSate2でQ2とQ4がONし、スイッチングノードの電圧をVin/2に戻してインダクタ電流を減少させます。CflyはVin/2になるよう充電されます。State1と同じ動作モードであるState3を経由して、State4ではQ1とQ3がONし、スイッチングノードがVin/2になるようCflyは放電されます。Duty50%未満の場合で説明した通り、この充放電をバランス制御により、スイッチングノードの電圧変化幅はVin/2に維持されます。
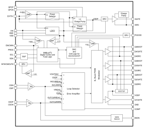
ルネサス製3レベルバックコンバーター RAA489300
それでは今回使用するルネサス製の3レベルバックコンバーターについて紹介します。
最大入力電圧が57.6V品と24V品の2製品がリリースされていますが、今回は57.6V品であるRAA489300を取り上げます。特徴は以下の通りです。
- 入力電圧範囲:4.5V~57.6V
- 出力電圧範囲:3V~54.912V
- プログラマブルスイッチング周波数:最大400kHz(スイッチングノードでは実効800kHz)
- 低シャットダウン電流:25µA
- 双方向パススルーモード(PTM)あり
- 保護機能:OCP、OVP、UVP、OTP
- SMBusおよびI2C対応
- 32ピン 4×4 TQFNパッケージ

出典:RAA489300データシート RAA489300 Datasheet
EVKボードの動作環境
いよいよEVKボードを動かしてみます。
今回使ったEVKボードはRTKA489300DE0000BUになります。RTKA489300DE0000BU

このEVKを動かすためには、専用のGUIと、I2Cインターフェースボードが別途必要になります。どちらもルネサス、もしくは代理店であるマクニカから提供させて頂いているので、遠慮なくお問合せ下さい。
I2Cインターフェースボード(ISLUSBADAPT-EVZ)はこちらになります。

こちらはRAA489300専用GUIの表示画面になります。

GUI の使い方はシンプルで、レジスタは赤点線部のタブシート毎に分けられており、各ビットの内容も表記されているので、読み出したいレジスタや、書き込みを行いたいレジスタを選択、または設定しRead/Writeボタンを押下するだけです。操作方法の詳細については専用ドキュメントも用意されているので不明点があればこちらから確認することも出来ます。
RTKA489300DE0000BU Evaluation Board Manual
単純に電源起動させるだけであれば、最低動作電圧に注意して、以下レジスタにて出力電圧設定、入出力電流リミット、スイッチングENを設定するだけで簡単に出力を確認することが出来ます。


EVKとI2Cインターフェースボードを接続した全体図となります。

インターフェースボードはAtoMiniBケーブルでPCと接続し、インターフェースボードとEVKはI2CのSDA/SCLとGNDの計3本でジャンパーします。ちょうど上図で言うと、赤、黄、黒の3本ラインが、EVKボード上のTPと接続されているかと思います。
EVKボードの左端がメインの入力電源端子、上部が外部から入力される5V端子となります。GUIを起動すると、インターフェースボード上の通信ステータス確認用LEDが点灯しますので、この状態になるとレジスタ設定が可能となり、EVKボードを動作させることが出来ます。
実測結果
では実測結果です。まずは前述の基本動作で説明した3レベルの基本的な動作を確認してみました。
入出力条件は以下となります。Duty比の違いによるスイッチングノードの挙動を見たかったので、入力電圧を8.0V~24Vで振りました。
- Vin:8.0V、10V、12V、24V
- Vout:5.0V
- Iout:100mA、1.0A

緑色のスイッチングノードに着目すると、Vin=8.0V(Duity比62.5% >50%)ではVin~Vin/2、Vin=10V(Duty比50%)ではVin~Vin/2~GND、Vin=12V(Duty比41.6% <50%)ではVin/2~GNDでスイッチングしていることが確認出来ます。
Vin=12V時の波形を見ると同じON区間でも電圧レベルが微妙に異なる波形が混在しています。2レベルでは見られない波形ですが、これは前述の3レベルの基本動作で記載したCflyの状態、この場合だとQ2-Q4がONする充電時と、Q1-Q3がONする放電時の挙動が見えているものと考えられます。
続いて効率です。入力電圧は産機、通信系でよく使用される48Vに固定とし、出力電圧、出力電流を以下条件で測定してみました。
- Vin:48V
- Vout:5V、12V
- Iout:2A/5A/10A/15A
- fsw:300kHz
- L:1.0uH(EVKボード初期実装品)


効率はどの負荷領域においても92%以上、5Vout時は平均95%、12Vout時は平均96%と非常に高効率な結果となりました。2A付近で効率がピークを迎えるのは、この後出てくるリプル電圧の確認波形の通り、パルススキップモードから連続パルスモードへの切り替わりがこの負荷領域にあるためです。
最後にリプル電圧/電流です。測定条件は効率時と同じです。
前述の通り、1A~2A付近ではパルススキップで動作しており、高効率と引き換えにリプル電圧は大きく見えています。5Aでは完全に連続パルスに切り替わっており、48Vinと入出力電位差が非常に大きい条件であるにもかかわらず、5Voutで16~17mVp-p、12Voutで20~30mVp-pと低リプル電圧で動作していることが確認出来ました。

こちらはリプル電流確認の結果となります。インダクタ部に直に電流プローブを挿入し測定しました。

Iout=15A条件で、5Vout時に7.5Ap-p、12Vout時に9.9375Ap-pとなっています。
机上計算にはなりますが、仮に同条件の2レベルバックコンバーターの場合、どの程度のリプル電流になるか簡易的に試算してみました。
一般的にリプル電流は以下の式で求められます。

EVKの測定条件、Vin=48V、Vout=5V、12V、Iout=15A、fsw=300kHz、L=1.0uHを上式に代入すると、5Vout時14.9Ap-p、12Vout時30Ap-pとなります。

あくまで試算値との比較にはなりますが、今回の入出力条件では、3レベルバックコンバーターのリプル電流は2レベルと比較して約50~60%程度減少していることになります。
まとめ
本記事では3レベルバックコンバーターの基本動作を説明し、実際にEVKボードを使って効率、出力リプル電圧、電流の測定を行いました。評価結果より、48Vin⇒5Vout、12Voutのような広い入出力電位差、かつ数A~10数Aといった高負荷条件において、超高効率でありながら低リプル電流を実現出来る非常に有効なトポロジーであると感じました。また周辺部品の小型化や、EMI低減にも非常に大きく寄与出来ると思います。
ルネサス社では今回ご紹介したRAA489300以外にも、最大入力電圧が異なるRAA489301や、3レベル以外でも双方向性の昇降圧DCDC RAA489800やRRB86848等、多数電源製品を取り揃えていますので、是非HPをご覧頂ければと思います。
